
产品分类
PRODUCT CLASSIFICATION
更新时间:2023-12-13
浏览次数:664背景
国家发展改革委、国家能源局 2月 10 日发布《关于完善能源绿色低碳转型体制机制和政策 措施的意见》明确,鼓励建设源网荷储一体化、多能互补的智慧能源系统和微电网。

应用场景一:分布式光伏-10kV/35kV并网

一、参考标准
根据国家电网Q/GDW1480-2015 《分布式电源接入电网技术规定》:分布式电源并网电压等级可根据各并网点装机容量进行初步选择,推荐如下:
• 8kW 及以下可接入220V;
• 8kW~400kW可接入380V;
• 400kW~6000kW可接入10kV;
• 5000kW~30000kW以上可接入35kV。
并网电压等级应根据电网条件,通过技术经济比选论证确定。若高低两级电压均具备接入条件,优先采用低电压等级接入。
二、系统框架

通过Acrel-1000DP分布式光伏监控系统平台即可对用户光伏发电、用电进行集中监控、统一调度、统一运维,满足用户可靠、安全、节约、高效、有序用电的要求。对用户提供运维服务,实现能源互联,信息互通,打破信息孤岛;根据用电设备负荷重要性分级管理,错峰有序用电。
三、分布式光伏监控系统介绍

综合监测
1、展示光伏电站名称、位置、逆变器数量等基本信息;
2、统计当前光伏电站日、月、年发电量;
3、按汇流数据分散分析每组光伏组件发电功率以及工作状态。

组件监控
1、监测整个光伏阵列各个组件的电压、电流、功率等电参量信息;
2、监测逆变器当前输入功率、输出功率、温度及当前状态等信息;
3、监测逆变器交直流侧电参量信息。

电能质量
1、监测站内电能质量检测仪所采集数据,如电压有效值,偏差率,谐波畸变率,电流有效值,分相功率,总功率等;
2、通过柱状图展示电能质量检测仪谐波和间谐波各频谱;
3、通过曲线图展示三相电流/电压谐波数据、实时负荷曲线、有效值/波动/偏差/闪变等参数;
4、展示所选站点下全部电能质量检测仪所有暂态事件。

曲线分析
1、展示逆变器交流侧总有功功率曲线;
2、展示逆变器直流侧电压曲线;
3、展示当前光伏发电站所处环境温度曲线;
4、综合分析环境对光伏发电的影响。
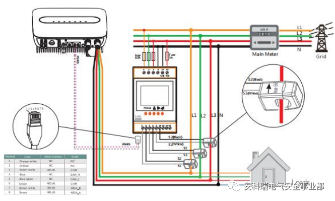
应用场景二:分布式光伏-380V并网
组网方案

应用场景三:分布式光伏-运维
一、配电图

二、功能

综合看板
1、显示所有光伏电站的数量,装机容量,实时发电功率。
2、累计日、月、年发电量及发电收益。

以配电图的形式直观显示光伏电站的运行状态,实时监测各逆变器的电压、电流、输出功率等电参量。

电站状态
1、展示当前光伏电站发电功率,补贴电价,峰值功率等基本参数。
2、统计当前光伏电站的日、月、年发电量及发电收益。

电站发电统计
展示所选电站的时、日、月、年发电量统计报表。
应用场景四:家用储能
一、简介
智能家庭储能系统采用一体化家电设计、精致美观、便于安装,可以为住宅、公共设施场所、小型厂所等供应电力。家庭储能系统,利用屋顶的太阳能发电装置、家庭用风力发电机产生能源,以及社会供电系统的低价电力来源把富裕电力存入储能系统,以备高峰时使用,不仅可作应急电源,更能为家庭节省电力开支。
二、组网图


三、优势
1、对电能参数进行采样,逆变器或能量管理系统(EMS)与之通讯,根据实时功率及累计电能实现防逆流、调节发电量、电池充放电。
2、采用标准DIN35mm导轨式安装,具有体
积小、安装方便、易组网等优点。
3、互感器m输出,精度更高。
4、开口式互感器安装,更加方便现场接线
5、100ms响应时间,更快实现逆流检测,给逆变器调节功率时间更充裕。
6、可应用于光伏并网系统、微逆系统、储能系统、交流耦合系统等新能源发电系统。

四、选型表
应用场景五:工商业储能
一、简介
随着能源转型的不断加剧,能源互联网已成为各国能源系统发展的共同方向。作为支撑能源互联网的关键技术,储能已广泛应用在智慧城市、工业园区、社区商圈、商业写字楼等大型工商业高耗能单位,实现了能源智慧化管理。
电网角度:用户侧能源管理可实现就地消纳,缓解电网压力。
企业角度:保证电力供应为首要任务,经济性提升加强配储意愿。
二、功能
1、计量
①具有直流侧/交流侧双向计量功能,实现储能系统能量管理;
②实现直流侧双向电能计量,用于分析储能电池的充放电效率;
③ 实现交流侧双向电能计量,用于分析储能系统的充放电效率;
④比较直流侧/交流侧功率及电能,用于分析PCS效率。
2、状态采集
开关量状态:
①检测储能集装箱门禁、烟感状态
②支持RS485,以太网通讯,可扩展无线模块
③ IO数量可扩展
3、测温


4、绝缘检测

应用场景六:充电桩
随着汽车智能化、电动化的发展趋势,以及《巴黎协定》的签订等原因,各国逐渐推进禁售燃油车的进程,目前已有多国给出时间表,因此电动汽车将成为未来汽车的主流,由此带来电动汽车充电基础设施的发展,其中最重要的即是充电桩。
单相交流充电桩选型

三相交流充电桩选型

应用场景七:光储充-能量管理系统
一、简介
Acrel-2000MG微电网能量管理系统是安科瑞针对企业微电网专门研发的一款能量管理系统,系统能够对微电网的源、网、荷、储能系统、新能源汽车充电负荷进行实时监控、诊断告警、全景分析、有序管理和高级控制,满足微电网运行监视全面化、安全分析智能化、调整控制前瞻化、全景分析动态化的需求,实现不同目标下源网荷储资源之间的灵活互动在多种策略控制下,有利于新能源高效利用、资源合理分配以及微电网的安全与稳定,减少电网建设投资,提升企业的能源利用率,降低运行成本,达到节能降耗的目的。
微电网能量管理系统包括系统主界面,包含市电、光伏、储能、充电桩及总体负荷情况,体现系统主接线图、光伏信息、储能信息、充电桩信息、告警信息、收益、环境等。
二、功能

光伏监控

储能监控

充电桩系统

系统拓扑